ADW400環(huán)保監(jiān)測模塊
首頁 > 產品中心 > 智能儀表 > ADW400環(huán)保監(jiān)測模塊
應用范圍:
ADW400方便用戶進行用電監(jiān)測、集抄和管理,特別適合環(huán)保監(jiān)管類的廠區(qū)智能監(jiān)管改造項目,可廣泛應用于化工廠、制藥廠、鋼鐵廠、養(yǎng)殖廠等產污制污的工廠。訂貨范例:
具體型號:ADW400-D16--4SX
國家全面推進打贏藍天保衛(wèi)戰(zhàn),打好碧水保衛(wèi)戰(zhàn),打勝凈土保衛(wèi)戰(zhàn),加快生態(tài)環(huán)境保護……
查看詳細信息 >

ADW400尺寸圖:

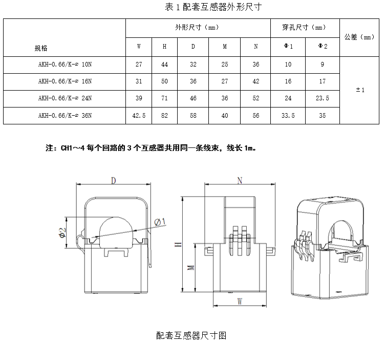
配套互感器外形尺寸:

